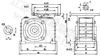
Size

Inpower
Kw

Ratio

AB

B

CC

E1

E2

F

G

LL

M

N

Z

50

0.18

1/5
1/10
1/15
1/20
1/25
1/30
1/40
1/50
1/60

87

107

50

53

77

100

15

76

160

125

11

60

0.18

78

117

60

68

92

100

15

82

190

130

11

0.37

70

0.37

101

131

70

75

115

120

20

95

230

155

15

0.75

80

0.75

118

144

80

96

144

125

20

100

265

160

15

1.5

100

1.5

145

175

100

100

150

155

22

135

310

195

15

2.2

120

2.2

160

200

120

120

180

180

28

160

360

230

18

3.0

135

3.0

183

212

135

130

200

200

30

170

390

250

18

4.0



Size

Flange

Input Hole

Output Hole

LA

LB

LC

LG

LZ

Q

U

T×V

S

W×Y

50

115

95

140

10

M8

25

11

4×12.8

20

6×22.8

60

115

95

140

10

M8

25

11

4×12.8

25

8×28.3

130

110

160

35

14

5×16.3

70

130

110

160

10

M8

33

14

5×16.3

30

8×33.3

165

130

200

M10

43

19

6×21.8

80

165

130

200

12

M10

43

19

6×21.8

35

10×38.3

55

24

8×27.3

100

165

130

200

15

M10

55

24

8×27.3

40

12×43.3

215

180

250

M12

65

28

8×31.3

120

215

180

250

18

M12

65

28

8×31.3

45

14×48.8

135

215

180

250

20

M12

65

28

8×31.3

60

18×64.4