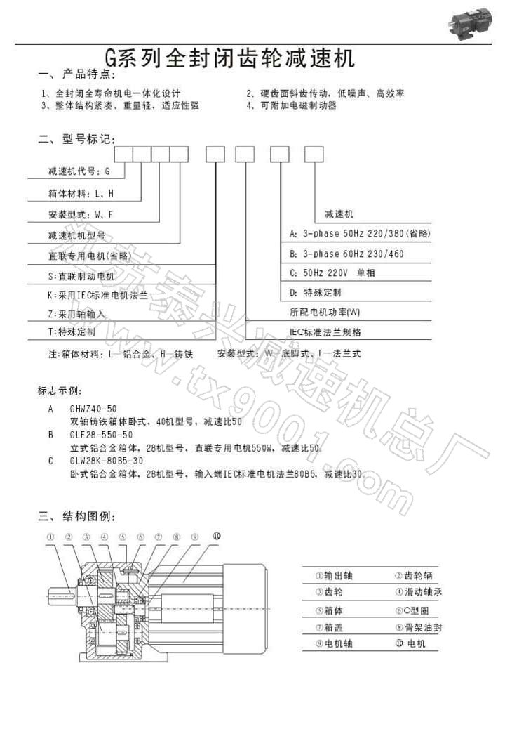
G系列全封闭齿轮减速机产品特点型号标记结构图例
G系列全封闭齿轮减速机技术参数
使用与维护电机的选用其他说明电机外型及标准IEC联结法兰尺寸表
安装尺寸法兰式外型安装尺寸
安装尺寸二法兰式外型安装尺寸二
安装尺寸三法兰式外型安装尺寸三
安装尺寸四双组立式脚外型安装尺寸四