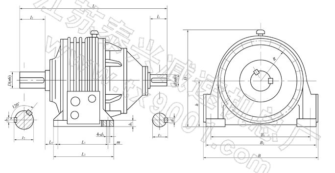
NBDÐÐÐdzÝÂÖ¼õËÙ»úͼֽ³ß´ç