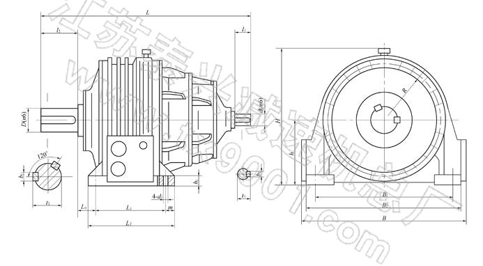
NCDÐÐÐdzÝÂÖ¼õËÙ»úͼֽ³ß´ç