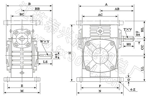
型号size

减比速ratio

A
AB
B
BB
AC
BC
CC
HL
LL
H
M
N
E
F
G
Z
入力轴input shaft
出轴力output shaft
重量weight(kg)
HS
U
T×V
LS
S
W×Y
40
1/5
1/10 1/15 1/20 1/25 1/30 1/40 1/50 1/60
149
89
124
79
95
61
40
45
60
135
100
130
80
110
10
10
25
12
4×2.5
28
14
5×3
4.5
50
175
107
150
97
111
68
50
50
70
165
120
140
95
110
15
12
30
12
4×2.5
40
17
5×3
7.5
60
198
122
168
112
127
76
60
60
93
195
130
150
105
120
18
12
40
15
5×3
50
22
7×4
11.5
70
231
140
194
131
152
86
70
73
108
233
150
190
115
150
18
15
40
18
5×3
60
28
7×4
15.5
80
261
160
214
142
169
102
80
83
123
268
170
220
135
180
18
15
50
22
7×4
65
32
10×4.5
24
100
322
190
254
169
216
117
100
100
150
330
190
270
155
220
20
15
50
25
7×4
75
38
10×4.5
39
120
381
229
282
190
256
124
120
120
180
395
230
320
180
260
25
18
65
30
7×4
85
45
12×4.5
57
135
433
260
317
210
296
147
135
135
215
455
250
350
200
290
30
18
75
35
10×2.5
95
55
15×5
85
155
504
302
382
252
345
185
155
135
235
493
280
380
220
320
32
21
85
40
12×5
110
60
18×7
110
175
545
325
402
262
374
192
175
160
260
558
310
410
250
350
37
21
85
45
14×5.5
110
65
18×7
152
200
587
350
467
305
412
230
200
175
290
620
355
445
290
390
45
24
95
50
14×5.5
125
70
20×7.5
216
250
705
420
552
360
500
285
250
200
350
750
460
560
380
480
50
28
110
60
18×7
155
90
25×9
350