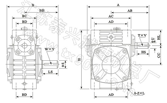
型号size

减比速ratio

A
AB
B
BB
AC
BC
AD
BD
CC
HL
H
Z×L
入力轴input shaft
出轴力output shaft
重量weight(kg)
HS
U
T×V
LS
S
W×Y
40
1/5
1/10 1/15 1/20 1/25 1/30 1/40 1/50 1/60
149
89
124
79
95
61
78
42
40
35
125
M6×12
25
12
4×2.5
28
14
5×3
4
50
175
107
150
97
111
68
85
50
50
35
150
M6×18
30
12
4×2.5
40
17
5×3
6.5
60
198
122
168
112
127
76
105
55
60
42
177
M8×20
40
15
5×3
50
22
7×4
9
70
231
140
194
131
152
86
125
65
70
55
215
M10×25
40
18
5×3
60
28
7×4
13
80
261
160
214
142
169
102
140
70
80
65
250
M12×28
50
22
7×4
65
32
10×4.5
21
100
322
190
254
169
216
117
180
90
100
80
310
M12×30
50
25
7×4
75
38
10×4.5
34
120
381
229
282
190
256
124
220
100
120
95
370
M14×32
65
30
7×4
85
45
12×4.5
51
135
433
260
317
210
296
147
260
110
135
105
425
M16×35
75
35
10×2.5
95
55
15×5
78
155
504
302
382
252
345
185
280
120
155
103
461
M16×35
85
40
12×5
110
60
18×7
102
175
545
325
402
262
374
192
320
140
175
123
521
M16×35
85
45
14×5.5
110
65
18×7
142
200
587
350
467
305
412
230
360
150
200
130
575
M20×36
95
50
14×5.5
125
70
20×7.5
202
250
705
420
552
360
500
285
420
190
250
150
700
M24×42
110
60
18×7
155
90
25×9
340